HOME >> Services >> Partners >> KOYO Bearing
FAG Bearing
IKO Bearing
INA Bearing
KOYO Bearing
NACHI Bearing
NSK Bearing
NTN Bearing
SKF Bearing
TIMKEN Bearing

Bearing number : 26878R/26822A
Brand : KOYO
Bore Diameter (mm) : 38,1
Width (mm) : 25,4
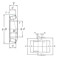
d - 38,1 mm
T - 23,812 mm
B - 25,4 mm
C - 19,05 mm
a - 16,4 mm
r min. - 0,8 mm
r1 min. - 2,4 mm
Da - 69 mm
db - 44,5 mm
da - 45 mm
Db - 74 mm
Basic dynamic load rating (C) - 81,1 kN
Basic static load rating (C0) - 105 kN
Calculation factor (e) - 0,32
Calculation factor (Y0) - 1,04
Calculation factor (Y1) - 1,88
Tags : KOYO