HOME >> Services >> Partners >> KOYO Bearing
FAG Bearing
IKO Bearing
INA Bearing
KOYO Bearing
NACHI Bearing
NSK Bearing
NTN Bearing
SKF Bearing
TIMKEN Bearing

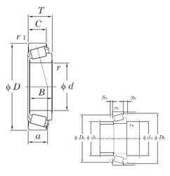
Bearing number : 2695X/2631
Brand : KOYO
Bore Diameter (mm) : 29
Width (mm) : 25,433
d - 29 mm
T - 23,812 mm
B - 25,433 mm
C - 19,05 mm
a - 13,9 mm
r min. - 1 mm
r1 min. - 1,2 mm
Da - 58 mm
db - 34 mm
da - 35 mm
Db - 60 mm
Basic dynamic load rating (C) - 67 kN
Basic static load rating (C0) - 75,2 kN
Calculation factor (e) - 0,25
Calculation factor (Y0) - 1,3
Calculation factor (Y1) - 2,36
Tags : KOYO