HOME >> Services >> Partners >> KOYO Bearing
FAG Bearing
IKO Bearing
INA Bearing
KOYO Bearing
NACHI Bearing
NSK Bearing
NTN Bearing
SKF Bearing
TIMKEN Bearing

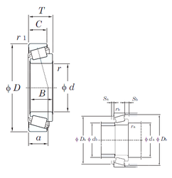
Bearing number : 02474/02420
Size (mm) : 28.575x68.262x22.225
Brand : KOYO
Bore Diameter (mm) : 28,575
Outer Diameter (mm) : 68,262
Width (mm) : 22,225
d - 28,575 mm
D - 68,262 mm
T - 22,225 mm
B - 22,225 mm
C - 17,462 mm
a - 17,1 mm
r min. - 0,8 mm
r2 min. - 1,6 mm
da min. - 36,5 mm
Da - 59 mm
db min - 36 mm
ra max. - 0,8 mm
rb max. - 1,6 mm
Db - 63 mm
Weight - 0,402 Kg
Basic dynamic load rating (C) - 51 kN
Basic static load rating (C0) - 61,1 kN
(Grease) Lubrication Speed - 6000 r/min
(Oil) Lubrication Speed - 8000 r/min
Calculation factor (e) - 0,42
Calculation factor (Y0) - 0,79
Calculation factor (Y1) - 1,44
Tags : KOYO , 28.575x68.262x22.225