HOME >> Services >> Partners >> TIMKEN Bearing
FAG Bearing
IKO Bearing
INA Bearing
KOYO Bearing
NACHI Bearing
NSK Bearing
NTN Bearing
SKF Bearing
TIMKEN Bearing

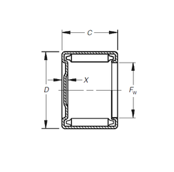
Bearing number : M-22161
Size (mm) : 34.925x41.275x25.4
Brand : Timken
Bore Diameter (mm) : 34,925
Outer Diameter (mm) : 41,275
Width (mm) : 25,4
Fw - 34,925 mm
D - 41,275 mm
C - 25,4 mm
C1 - 2,29 mm
Weight - 0,064 Kg
Basic dynamic load rating (C) - 40,2 kN
Basic static load rating (C0) - 102 kN
(Grease) Lubrication Speed - 2100 r/min
(Oil) Lubrication Speed - 3200 r/min