HOME >> Services >> Partners >> TIMKEN Bearing
FAG Bearing
IKO Bearing
INA Bearing
KOYO Bearing
NACHI Bearing
NSK Bearing
NTN Bearing
SKF Bearing
TIMKEN Bearing

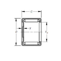
Bearing number : M-8101
Size (mm) : 12.7x17.463x15.88
Brand : Timken
Bore Diameter (mm) : 12,7
Outer Diameter (mm) : 17,463
Width (mm) : 15,88
Fw - 12,7 mm
D - 17,463 mm
C - 15,88 mm
C1 - 2,03 mm
Weight - 0,012 Kg
Basic dynamic load rating (C) - 12,2 kN
Basic static load rating (C0) - 21,34 kN
(Grease) Lubrication Speed - 3600 r/min
(Oil) Lubrication Speed - 5600 r/min