HOME >> Services >> Partners >> TIMKEN Bearing
FAG Bearing
IKO Bearing
INA Bearing
KOYO Bearing
NACHI Bearing
NSK Bearing
NTN Bearing
SKF Bearing
TIMKEN Bearing

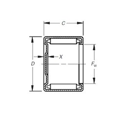
Bearing number : M-971
Size (mm) : 14.288x19.05x11.13
Brand : Timken
Bore Diameter (mm) : 14,288
Outer Diameter (mm) : 19,05
Width (mm) : 11,13
Fw - 14,288 mm
D - 19,05 mm
C - 11,13 mm
C1 - 2,03 mm
Weight - 0,01 Kg
Basic dynamic load rating (C) - 8,85 kN
Basic static load rating (C0) - 14,6 kN
(Grease) Lubrication Speed - 3300 r/min
(Oil) Lubrication Speed - 5000 r/min