HOME >> Services >> Partners >> TIMKEN Bearing
FAG Bearing
IKO Bearing
INA Bearing
KOYO Bearing
NACHI Bearing
NSK Bearing
NTN Bearing
SKF Bearing
TIMKEN Bearing

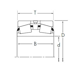
Bearing number : M270449DA/M270410+M270410EA
Size (mm) : 449.949x594.949x178
Brand : Timken
Bore Diameter (mm) : 449,949
Outer Diameter (mm) : 594,949
Width (mm) : 178
d - 449,949 mm
D - 594,949 mm
T - 178 mm
B - 178 mm
R - 3 mm
r - 6 mm
Weight - 130,94 Kg