HOME >> Services >> Partners >> TIMKEN Bearing
FAG Bearing
IKO Bearing
INA Bearing
KOYO Bearing
NACHI Bearing
NSK Bearing
NTN Bearing
SKF Bearing
TIMKEN Bearing

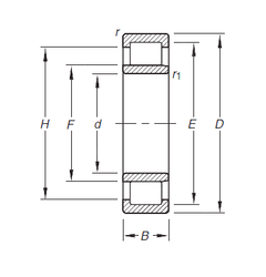
Bearing number : NU203E.TVP
Brand : Timken
Bore Diameter (mm) : 17
Outer Diameter (mm) : 35,1
d - 17 mm
F - 22,1 mm
D - 40 mm
E - 35,1 mm
B - 12 mm
C - 12 mm
r - 0,3 mm
r1 max. - 0,6 mm
H - 32 mm
S - 1,2 mm
Weight - 0,068 Kg