HOME >> Services >> Partners >> TIMKEN Bearing
FAG Bearing
IKO Bearing
INA Bearing
KOYO Bearing
NACHI Bearing
NSK Bearing
NTN Bearing
SKF Bearing
TIMKEN Bearing

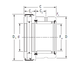
Bearing number : RAXZ 530
Brand : Timken
Bore Diameter (mm) : 18
Outer Diameter (mm) : 48
d - 18 mm
Fw - 30 mm
D - 42 mm
D1 - 48 mm
r5 min. - 0,85 mm
C - 29 mm
C1 - 11 mm
C2 - 9 mm
Weight - 0,118 Kg
Dynamic load rating radial (C) - 20,2 kN
Dynamic load rating axial (C) - 26,5 kN
Static load rating radial (C0) - 34,6 kN
Static load rating axial (C0) - 77 kN
(Oil) Lubrication Speed - 6500 r/min