HOME >> Services >> Partners >> TIMKEN Bearing
FAG Bearing
IKO Bearing
INA Bearing
KOYO Bearing
NACHI Bearing
NSK Bearing
NTN Bearing
SKF Bearing
TIMKEN Bearing

Bearing number : RNAO100X120X30
Size (mm) : 100x108x30
Brand : Timken
Bore Diameter (mm) : 100
Outer Diameter (mm) : 108
Width (mm) : 30
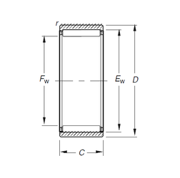
Fw - 100 mm
D - 120 mm
Ew - 108 mm
C - 30 mm
r - 1 mm
Weight - 0,66 Kg
Basic dynamic load rating (C) - 72,4 kN
Basic static load rating (C0) - 191 kN
(Grease) Lubrication Speed - 2700 r/min
(Oil) Lubrication Speed - 4200 r/min