HOME >> Services >> Partners >> TIMKEN Bearing
FAG Bearing
IKO Bearing
INA Bearing
KOYO Bearing
NACHI Bearing
NSK Bearing
NTN Bearing
SKF Bearing
TIMKEN Bearing

Bearing number : RNAO10X17X20
Size (mm) : 10x13x20
Brand : Timken
Bore Diameter (mm) : 10
Outer Diameter (mm) : 13
Width (mm) : 20
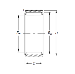
Fw - 10 mm
D - 17 mm
Ew - 13 mm
C - 20 mm
r - 0,3 mm
Weight - 0,019 Kg
Basic dynamic load rating (C) - 9,25 kN
Basic static load rating (C0) - 12,9 kN
(Grease) Lubrication Speed - 25000 r/min
(Oil) Lubrication Speed - 39000 r/min