HOME >> Services >> Partners >> TIMKEN Bearing
FAG Bearing
IKO Bearing
INA Bearing
KOYO Bearing
NACHI Bearing
NSK Bearing
NTN Bearing
SKF Bearing
TIMKEN Bearing

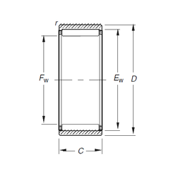
Bearing number : RNAO12X19X10
Size (mm) : 12x15x10
Brand : Timken
Bore Diameter (mm) : 12
Outer Diameter (mm) : 15
Width (mm) : 10
Fw - 12 mm
D - 19 mm
Ew - 15 mm
C - 10 mm
r - 0,3 mm
Weight - 0,012 Kg
Basic dynamic load rating (C) - 5,85 kN
Basic static load rating (C0) - 7,51 kN
(Grease) Lubrication Speed - 24000 r/min
(Oil) Lubrication Speed - 37000 r/min