HOME >> Services >> Partners >> TIMKEN Bearing
FAG Bearing
IKO Bearing
INA Bearing
KOYO Bearing
NACHI Bearing
NSK Bearing
NTN Bearing
SKF Bearing
TIMKEN Bearing

Bearing number : RNAO16X28X12
Size (mm) : 16x22x12
Brand : Timken
Bore Diameter (mm) : 16
Outer Diameter (mm) : 22
Width (mm) : 12
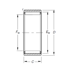
Fw - 16 mm
D - 28 mm
Ew - 22 mm
C - 12 mm
r - 0,3 mm
Weight - 0,033 Kg
Basic dynamic load rating (C) - 11,2 kN
Basic static load rating (C0) - 11,9 kN
(Grease) Lubrication Speed - 19000 r/min
(Oil) Lubrication Speed - 29000 r/min