HOME >> Services >> Partners >> TIMKEN Bearing
FAG Bearing
IKO Bearing
INA Bearing
KOYO Bearing
NACHI Bearing
NSK Bearing
NTN Bearing
SKF Bearing
TIMKEN Bearing

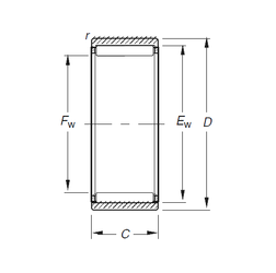
Bearing number : RNAO20X32X12
Size (mm) : 20x26x12
Brand : Timken
Bore Diameter (mm) : 20
Outer Diameter (mm) : 26
Width (mm) : 12
Fw - 20 mm
D - 32 mm
Ew - 26 mm
C - 12 mm
r - 0,3 mm
Weight - 0,038 Kg
Basic dynamic load rating (C) - 13 kN
Basic static load rating (C0) - 15,3 kN
(Grease) Lubrication Speed - 15000 r/min
(Oil) Lubrication Speed - 23000 r/min