HOME >> Services >> Partners >> TIMKEN Bearing
FAG Bearing
IKO Bearing
INA Bearing
KOYO Bearing
NACHI Bearing
NSK Bearing
NTN Bearing
SKF Bearing
TIMKEN Bearing

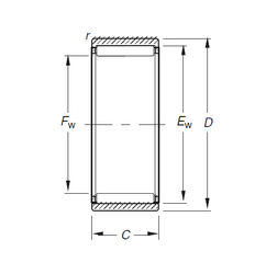
Bearing number : RNAO22X30X26
Size (mm) : 22x26x26
Brand : Timken
Bore Diameter (mm) : 22
Outer Diameter (mm) : 26
Width (mm) : 26
Fw - 22 mm
D - 30 mm
Ew - 26 mm
C - 26 mm
r - 0,3 mm
Weight - 0,053 Kg
Basic dynamic load rating (C) - 20,2 kN
Basic static load rating (C0) - 36,6 kN
(Grease) Lubrication Speed - 13000 r/min
(Oil) Lubrication Speed - 20000 r/min