HOME >> Services >> Partners >> TIMKEN Bearing
FAG Bearing
IKO Bearing
INA Bearing
KOYO Bearing
NACHI Bearing
NSK Bearing
NTN Bearing
SKF Bearing
TIMKEN Bearing

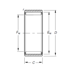
Bearing number : RNAO25X35X26
Size (mm) : 25x30x26
Brand : Timken
Bore Diameter (mm) : 25
Outer Diameter (mm) : 30
Width (mm) : 26
Fw - 25 mm
D - 35 mm
Ew - 30 mm
C - 26 mm
r - 0,3 mm
Weight - 0,076 Kg
Basic dynamic load rating (C) - 25 kN
Basic static load rating (C0) - 42,8 kN
(Grease) Lubrication Speed - 11000 r/min
(Oil) Lubrication Speed - 17000 r/min