HOME >> Services >> Partners >> TIMKEN Bearing
FAG Bearing
IKO Bearing
INA Bearing
KOYO Bearing
NACHI Bearing
NSK Bearing
NTN Bearing
SKF Bearing
TIMKEN Bearing

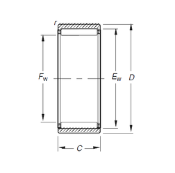
Bearing number : RNAO35X47X16
Size (mm) : 35x41x16
Brand : Timken
Bore Diameter (mm) : 35
Outer Diameter (mm) : 41
Width (mm) : 16
Fw - 35 mm
D - 47 mm
Ew - 41 mm
C - 16 mm
r - 0,3 mm
Weight - 0,075 Kg
Basic dynamic load rating (C) - 24,5 kN
Basic static load rating (C0) - 36,8 kN
(Grease) Lubrication Speed - 8100 r/min
(Oil) Lubrication Speed - 12000 r/min