HOME >> Services >> Partners >> TIMKEN Bearing
FAG Bearing
IKO Bearing
INA Bearing
KOYO Bearing
NACHI Bearing
NSK Bearing
NTN Bearing
SKF Bearing
TIMKEN Bearing

Bearing number : RNAO35X47X32
Size (mm) : 35x42x32
Brand : Timken
Bore Diameter (mm) : 35
Outer Diameter (mm) : 42
Width (mm) : 32
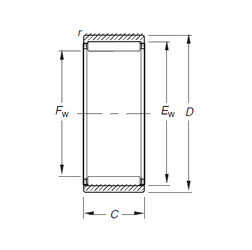
Fw - 35 mm
D - 47 mm
Ew - 42 mm
C - 32 mm
r - 0,3 mm
Weight - 0,156 Kg
Basic dynamic load rating (C) - 42 kN
Basic static load rating (C0) - 73,5 kN
(Grease) Lubrication Speed - 8100 r/min
(Oil) Lubrication Speed - 12000 r/min