HOME >> Services >> Partners >> TIMKEN Bearing
FAG Bearing
IKO Bearing
INA Bearing
KOYO Bearing
NACHI Bearing
NSK Bearing
NTN Bearing
SKF Bearing
TIMKEN Bearing

Bearing number : RNAO75X95X30
Size (mm) : 75x83x30
Brand : Timken
Bore Diameter (mm) : 75
Outer Diameter (mm) : 83
Width (mm) : 30
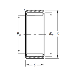
Fw - 75 mm
D - 95 mm
Ew - 83 mm
C - 30 mm
r - 1 mm
Weight - 0,51 Kg
Basic dynamic load rating (C) - 60,9 kN
Basic static load rating (C0) - 138 kN
(Grease) Lubrication Speed - 3600 r/min
(Oil) Lubrication Speed - 5600 r/min