HOME >> Services >> Partners >> TIMKEN Bearing
FAG Bearing
IKO Bearing
INA Bearing
KOYO Bearing
NACHI Bearing
NSK Bearing
NTN Bearing
SKF Bearing
TIMKEN Bearing

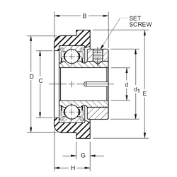
Bearing number : S3PP16RTF
Brand : Timken
Bore Diameter (mm) : 7,937
Outer Diameter (mm) : 26,975
d - 7,937 mm
D - 27,280 mm
D1 - 26,975 mm
d1 - 19,844 mm
B - 15,875 mm
C - 19,05 mm
E - 30,956 mm
G - 3,969 mm
H - 10,319 mm