HOME >> Services >> Partners >> TIMKEN Bearing
FAG Bearing
IKO Bearing
INA Bearing
KOYO Bearing
NACHI Bearing
NSK Bearing
NTN Bearing
SKF Bearing
TIMKEN Bearing

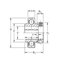
Bearing number : SM0311W-BR
Size (mm) : 93.6625x200x93.66
Brand : Timken
Bore Diameter (mm) : 93,6625
Outer Diameter (mm) : 200
Width (mm) : 93,66
d - 93,6625 mm
D - 200 mm
B - 93,66 mm
C - 45 mm
d1 - 139,7 mm
B1 - 122,24 mm
B2 - 36,51 mm
F - 126,67 mm
G - 54,77 mm
L - 7,94 mm
S - 38,89 mm
Weight - 11,09 Kg
Basic dynamic load rating (C) - 224 kN
Basic static load rating (C0) - 173,7 kN