HOME >> Services >> Partners >> TIMKEN Bearing
FAG Bearing
IKO Bearing
INA Bearing
KOYO Bearing
NACHI Bearing
NSK Bearing
NTN Bearing
SKF Bearing
TIMKEN Bearing

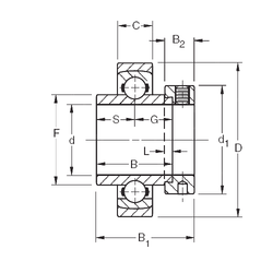
Bearing number : SMN211KS
Size (mm) : 68.2625x165x68.26
Brand : Timken
Bore Diameter (mm) : 68,2625
Outer Diameter (mm) : 165
Width (mm) : 68,26
d - 68,2625 mm
D - 165 mm
B - 68,26 mm
C - 35 mm
d1 - 101,6 mm
B1 - 92,1 mm
B2 - 27 mm
F - 94,7 mm
G - 34,1 mm
L - 6,4 mm
S - 34,1 mm
Weight - 5,185 Kg
Basic dynamic load rating (C) - 116 kN
Basic static load rating (C0) - 66,8 kN