HOME >> Services >> Partners >> TIMKEN Bearing
FAG Bearing
IKO Bearing
INA Bearing
KOYO Bearing
NACHI Bearing
NSK Bearing
NTN Bearing
SKF Bearing
TIMKEN Bearing

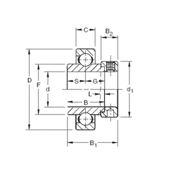
Bearing number : SMN415W-BR
Size (mm) : 125.4125x280x106.36
Brand : Timken
Bore Diameter (mm) : 125,4125
Outer Diameter (mm) : 280
Width (mm) : 106,36
d - 125,4125 mm
D - 280 mm
B - 106,36 mm
C - 59 mm
d1 - 206,38 mm
B1 - 150,81 mm
B2 - 42,86 mm
F - 176,56 mm
G - 61,91 mm
L - 7,94 mm
S - 53,98 mm
Weight - 29,66 Kg
Basic dynamic load rating (C) - 347,4 kN
Basic static load rating (C0) - 327,4 kN