HOME >> Services >> Partners >> TIMKEN Bearing
FAG Bearing
IKO Bearing
INA Bearing
KOYO Bearing
NACHI Bearing
NSK Bearing
NTN Bearing
SKF Bearing
TIMKEN Bearing

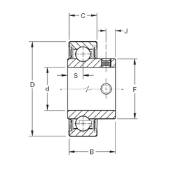
Bearing number : YA103RR2
Size (mm) : 62x31.75x32,5
Brand : Timken
Bore Diameter (mm) : 62
Outer Diameter (mm) : 31.75
Width (mm) : 32,5
d - 31.75 mm
D - 62 mm
B - 32,5 mm
C - 18 mm
F - 40,1 mm
J - 7,87 mm
S - 9,65 mm
Thread (G) - M8X1,25
Weight - 0,26 Kg
Basic dynamic load rating (C) - 21,8 kN
Basic static load rating (C0) - 11,1 kN