HOME >> Services >> Partners >> FAG Bearing
FAG Bearing
IKO Bearing
INA Bearing
KOYO Bearing
NACHI Bearing
NSK Bearing
NTN Bearing
SKF Bearing
TIMKEN Bearing

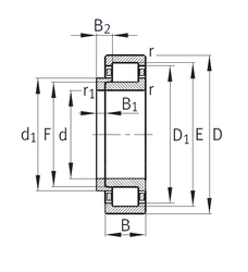
Bearing number : NJ334-E-M1+HJ334-E
Brand : FAG
Bore Diameter (mm) : 170
Outer Diameter (mm) : 360
d - 170 mm
F - 218 mm
D - 360 mm
E - 318 mm
B - 72 mm
C - 72 mm
dc min - 240 mm
d1 - 237 mm
r min. - 4 mm
r1 min. - 4 mm
B1 - 16 mm
B2 - 27 mm
B3 - – mm
D1 - 301,6 mm
da min. - 187 mm
Da max. - 343 mm
ra max. - 3 mm
Weight - 41,81 Kg
Basic dynamic load rating (C) - 965 kN
Basic static load rating (C0) - 1220 kN
Fatigue load limit (Pu) - 132
Reference speed - 1 630 r/min
Limiting speed - 3 000 r/min