HOME >> Services >> Partners >> FAG Bearing
FAG Bearing
IKO Bearing
INA Bearing
KOYO Bearing
NACHI Bearing
NSK Bearing
NTN Bearing
SKF Bearing
TIMKEN Bearing

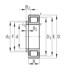
Bearing number : NJ336-E-M1+HJ336E
Brand : FAG
Bore Diameter (mm) : 180
Outer Diameter (mm) : 380
d - 180 mm
F - 231 mm
D - 380 mm
E - 335 mm
B - 75 mm
C - 75 mm
dc min - 254 mm
d1 - 250,5 mm
r min. - 4 mm
r1 min. - 4 mm
B1 - 17 mm
B2 - 28,5 mm
B3 - – mm
D1 - 319,8 mm
da min. - 197 mm
Da max. - 363 mm
ra max. - 3 mm
Weight - 48,37 Kg
Basic dynamic load rating (C) - 1040 kN
Basic static load rating (C0) - 1320 kN
Fatigue load limit (Pu) - 141
Reference speed - 1 520 r/min
Limiting speed - 2 800 r/min