HOME >> Services >> Partners >> FAG Bearing
FAG Bearing
IKO Bearing
INA Bearing
KOYO Bearing
NACHI Bearing
NSK Bearing
NTN Bearing
SKF Bearing
TIMKEN Bearing

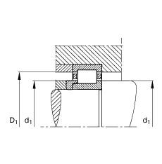
Bearing number : NJ409-M1 + HJ409
Size (mm) : 45x120x29
Brand : FAG
Bore Diameter (mm) : 45
Outer Diameter (mm) : 120
Width (mm) : 29
d - 45 mm
D - 120 mm
B - 29 mm
B1 - 8 mm
B2 - 13,5 mm
D1 - 94,6 mm
Da max - 107 mm
d1 - 71,6 mm
da max - 63 mm
da min - 58 mm
dc min - 74 mm
E - 100,5 mm
F - 64,5 mm
r1 min - 2 mm
ra max - 2 mm
rmin - 2 mm
s - 2,9 mm / Axial displacement facility from central position
- HJ409 / Designation, L-section ring
m - 1,9 kg / Weight
m1 - 0,181 kg
Cr - 143000 N / Dynamic load rating (radial)
C0r - 119000 N / Static load rating (radial)
nG - 9600 1/min / Limiting speed
nB - 5900 1/min / Reference speed
Cur - 21400 N / Fatigue limit load, radial
Main dimensions to DIN 5412-1, with L-section ring, locating bearing, separable, with cage