HOME >> Services >> Partners >> FAG Bearing
FAG Bearing
IKO Bearing
INA Bearing
KOYO Bearing
NACHI Bearing
NSK Bearing
NTN Bearing
SKF Bearing
TIMKEN Bearing

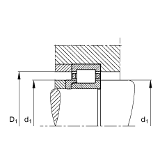
Bearing number : NJ410-M1 + HJ410
Size (mm) : 50x130x31
Brand : FAG
Bore Diameter (mm) : 50
Outer Diameter (mm) : 130
Width (mm) : 31
d - 50 mm
D - 130 mm
B - 31 mm
B1 - 9 mm
B2 - 14,5 mm
D1 - 104,3 mm
Da max - 116 mm
d1 - 78,6 mm
da max - 69 mm
da min - 64 mm
dc min - 81 mm
E - 110,8 mm
F - 70,8 mm
r1 min - 2,1 mm
ra max - 2 mm
rmin - 2,1 mm
s - 3 mm / Axial displacement facility from central position
- HJ410 / Designation, L-section ring
m - 2,36 kg / Weight
m1 - 0,238 kg
Cr - 175000 N / Dynamic load rating (radial)
C0r - 148000 N / Static load rating (radial)
nG - 8600 1/min / Limiting speed
nB - 5400 1/min / Reference speed
Cur - 27000 N / Fatigue limit load, radial
Main dimensions to DIN 5412-1, with L-section ring, locating bearing, separable, with cage