HOME >> Services >> Partners >> FAG Bearing
FAG Bearing
IKO Bearing
INA Bearing
KOYO Bearing
NACHI Bearing
NSK Bearing
NTN Bearing
SKF Bearing
TIMKEN Bearing

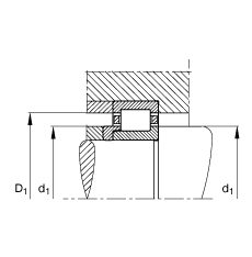
Bearing number : NJ411-M1 + HJ411
Size (mm) : 55x140x33
Brand : FAG
Bore Diameter (mm) : 55
Outer Diameter (mm) : 140
Width (mm) : 33
d - 55 mm
D - 140 mm
B - 33 mm
B1 - 10 mm
B2 - 16,5 mm
D1 - 110,7 mm
Da max - 126 mm
d1 - 85 mm
da max - 76 mm
da min - 69 mm
dc min - 87 mm
E - 117,2 mm
F - 77,2 mm
r1 min - 2,1 mm
ra max - 2,1 mm
rmin - 2,1 mm
s - 3,3 mm / Axial displacement facility from central position
- HJ411 / Designation, L-section ring
m - 2,88 kg / Weight
m1 - 0,302 kg
Cr - 187000 N / Dynamic load rating (radial)
C0r - 164000 N / Static load rating (radial)
nG - 8200 1/min / Limiting speed
nB - 5100 1/min / Reference speed
Cur - 30000 N / Fatigue limit load, radial
Main dimensions to DIN 5412-1, with L-section ring, locating bearing, separable, with cage