HOME >> Services >> Partners >> FAG Bearing
FAG Bearing
IKO Bearing
INA Bearing
KOYO Bearing
NACHI Bearing
NSK Bearing
NTN Bearing
SKF Bearing
TIMKEN Bearing

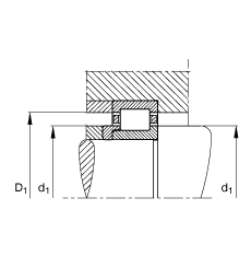
Bearing number : NJ415-M1 + HJ415
Size (mm) : 75x190x45
Brand : FAG
Bore Diameter (mm) : 75
Outer Diameter (mm) : 190
Width (mm) : 45
d - 75 mm
D - 190 mm
B - 45 mm
B1 - 13 mm
B2 - 21,5 mm
D1 - 150,7 mm
Da max - 174 mm
d1 - 115,8 mm
da max - 103 mm
da min - 91 mm
dc min - 118 mm
E - 160,5 mm
F - 104,5 mm
r1 min - 3 mm
ra max - 2,5 mm
rmin - 3 mm
s - 4,5 mm / Axial displacement facility from central position
- HJ415 / Designation, L-section ring
m - 7,21 kg / Weight
m1 - 0,737 kg
Cr - 325000 N / Dynamic load rating (radial)
C0r - 295000 N / Static load rating (radial)
nG - 5800 1/min / Limiting speed
nB - 4100 1/min / Reference speed
Cur - 50000 N / Fatigue limit load, radial
Main dimensions to DIN 5412-1, with L-section ring, locating bearing, separable, with cage