HOME >> Services >> Partners >> FAG Bearing
FAG Bearing
IKO Bearing
INA Bearing
KOYO Bearing
NACHI Bearing
NSK Bearing
NTN Bearing
SKF Bearing
TIMKEN Bearing

Bearing number : NJ424-M1 + HJ424
Size (mm) : 120x310x72
Brand : FAG
Bore Diameter (mm) : 120
Outer Diameter (mm) : 310
Width (mm) : 72
d - 120 mm
D - 310 mm
B - 72 mm
B1 - 17 mm
B2 - 30,5 mm
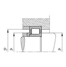
D1 - 243,9 mm
Da max - 286 mm
d1 - 187,3 mm
da max - 168 mm
da min - 144 mm
dc min - 190 mm
E - 260 mm
F - 170 mm
r1 min - 5 mm
ra max - 4 mm
rmin - 5 mm
s - 6,9 mm / Axial displacement facility from central position
- HJ424 / Designation, L-section ring
m - 31,3 kg / Weight
m1 - 2,61 kg
Cr - 850000 N / Dynamic load rating (radial)
C0r - 840000 N / Static load rating (radial)
nG - 3450 1/min / Limiting speed
nB - 2200 1/min / Reference speed
Cur - 129000 N / Fatigue limit load, radial
Main dimensions to DIN 5412-1, with L-section ring, locating bearing, separable, with cage