HOME >> Services >> Partners >> FAG Bearing
FAG Bearing
IKO Bearing
INA Bearing
KOYO Bearing
NACHI Bearing
NSK Bearing
NTN Bearing
SKF Bearing
TIMKEN Bearing

Bearing number : NN3068-AS-K-M-SP
Size (mm) : 340x520x133
Brand : FAG
Bore Diameter (mm) : 340
Outer Diameter (mm) : 520
Width (mm) : 133
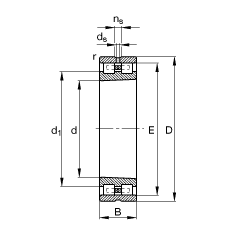
d - 340 mm
D - 520 mm
B - 133 mm
Da max - 503 mm
Db min - 477 mm
d1 - 409 mm
da min - 357 mm
ds - 9,5 mm
E - 473 mm
ns - 17,7 mm
ra max - 4 mm
rmin - 5 mm
s - 8,7 mm / Axial displacement facility from central position
m - 99,3 kg / Weight
Cr - 1630000 N / Dynamic load rating (radial)
C0r - 3250000 N / Static load rating (radial)
nG Fett - 1400 1/min / Limiting speed for grease lubrication
nG Ol - 1700 1/min / Limiting speed for minimal quantity oil lubrication
Cur - 380000 N / Fatigue limit load, radial
Main dimensions to DIN 5412-4