HOME >> Services >> Partners >> FAG Bearing
FAG Bearing
IKO Bearing
INA Bearing
KOYO Bearing
NACHI Bearing
NSK Bearing
NTN Bearing
SKF Bearing
TIMKEN Bearing

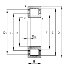
Bearing number : NUP207-E-TVP2
Size (mm) : 35x72x17
Brand : FAG
Bore Diameter (mm) : 35
Outer Diameter (mm) : 72
Width (mm) : 17
d - 35 mm
D - 72 mm
B - 17 mm
B3 - 3 mm
D1 - 61 mm
Da max - 65 mm
d1 - 48 mm
da min - 39 mm
dc min - 50 mm
E - 64 mm
F - 44 mm
r1 min - 0,6 mm
ra max - 1 mm
rmin - 1,1 mm
m - 0,317 kg / Weight
Cr - 59000 N / Dynamic load rating (radial)
C0r - 50000 N / Static load rating (radial)
nG - 12300 1/min / Limiting speed
nB - 8300 1/min / Reference speed
Cur - 7600 N
Main dimensions to DIN 5412-1, locating bearing, separable, with cage