HOME >> Services >> Partners >> FAG Bearing
FAG Bearing
IKO Bearing
INA Bearing
KOYO Bearing
NACHI Bearing
NSK Bearing
NTN Bearing
SKF Bearing
TIMKEN Bearing

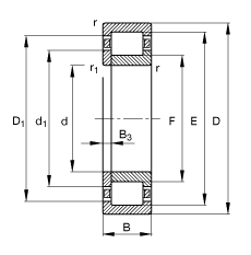
Bearing number : NUP214-E-TVP2
Size (mm) : 70x125x24
Brand : FAG
Bore Diameter (mm) : 70
Outer Diameter (mm) : 125
Width (mm) : 24
d - 70 mm
D - 125 mm
B - 24 mm
B3 - 4 mm
D1 - 109,4 mm
Da max - 116 mm
d1 - 89,4 mm
da min - 79 mm
dc min - 92 mm
E - 113,5 mm
F - 83,5 mm
r1 min - 1,5 mm
ra max - 1,5 mm
rmin - 1,5 mm
m - 1,2 kg / Weight
Cr - 141000 N / Dynamic load rating (radial)
C0r - 138000 N / Static load rating (radial)
nG - 6800 1/min / Limiting speed
nB - 4750 1/min / Reference speed
Cur - 24300 N
Main dimensions to DIN 5412-1, locating bearing, separable, with cage