HOME >> Services >> Partners >> FAG Bearing
FAG Bearing
IKO Bearing
INA Bearing
KOYO Bearing
NACHI Bearing
NSK Bearing
NTN Bearing
SKF Bearing
TIMKEN Bearing

Bearing number : NUP2220-E-TVP2
Size (mm) : 100x180x46
Brand : FAG
Bore Diameter (mm) : 100
Outer Diameter (mm) : 180
Width (mm) : 46
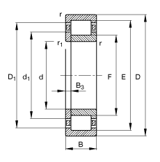
d - 100 mm
D - 180 mm
B - 46 mm
B3 - 6 mm
D1 - 156,9 mm
Da max - 168 mm
d1 - 127,3 mm
da min - 112 mm
dc min - 130 mm
E - 163 mm
F - 119 mm
r1 min - 2,1 mm
ra max - 2,1 mm
rmin - 2,1 mm
m - 4,92 kg / Weight
Cr - 395000 N / Dynamic load rating (radial)
C0r - 445000 N / Static load rating (radial)
nG - 4550 1/min / Limiting speed
nB - 2900 1/min / Reference speed
Cur - 76000 N
Main dimensions to DIN 5412-1, locating bearing, separable, with cage