HOME >> Services >> Partners >> FAG Bearing
FAG Bearing
IKO Bearing
INA Bearing
KOYO Bearing
NACHI Bearing
NSK Bearing
NTN Bearing
SKF Bearing
TIMKEN Bearing

Bearing number : NUP2222-E-TVP2
Size (mm) : 110x200x53
Brand : FAG
Bore Diameter (mm) : 110
Outer Diameter (mm) : 200
Width (mm) : 53
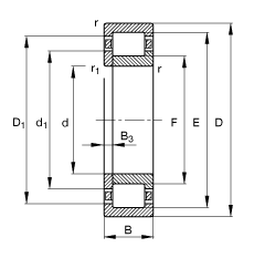
d - 110 mm
D - 200 mm
B - 53 mm
B3 - 8,5 mm
D1 - 173,8 mm
Da max - 188 mm
d1 - 141,6 mm
da min - 122 mm
dc min - 144 mm
E - 180,5 mm
F - 132,5 mm
r1 min - 2,1 mm
ra max - 2,1 mm
rmin - 2,1 mm
m - 7,02 kg / Weight
Cr - 455000 N / Dynamic load rating (radial)
C0r - 520000 N / Static load rating (radial)
nG - 4100 1/min / Limiting speed
nB - 2800 1/min / Reference speed
Cur - 86000 N
Main dimensions to DIN 5412-1, locating bearing, separable, with cage