HOME >> Services >> Partners >> FAG Bearing
FAG Bearing
IKO Bearing
INA Bearing
KOYO Bearing
NACHI Bearing
NSK Bearing
NTN Bearing
SKF Bearing
TIMKEN Bearing

Bearing number : NUP2244-EX-TB-M1
Size (mm) : 220x400x108
Brand : FAG
Bore Diameter (mm) : 220
Outer Diameter (mm) : 400
Width (mm) : 108
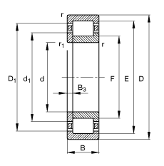
d - 220 mm
D - 400 mm
B - 108 mm
B3 - 14 mm
D1 - 345,4 mm
Da max - 383 mm
d1 - 280,6 mm
da min - 237 mm
dc min - 282,3 mm
E - 367 mm
F - 259 mm
r1 min - 4 mm
ra max - 3 mm
rmin - 4 mm
m - 63,4 kg / Weight
Cr - 1630000 N / Dynamic load rating (radial)
C0r - 2370000 N / Static load rating (radial)
nG - 2440 1/min / Limiting speed
nB - 1020 1/min / Reference speed
Cur - 250000 N
Main dimensions to DIN 5412-1, locating bearing, separable, with cage