HOME >> Services >> Partners >> FAG Bearing
FAG Bearing
IKO Bearing
INA Bearing
KOYO Bearing
NACHI Bearing
NSK Bearing
NTN Bearing
SKF Bearing
TIMKEN Bearing

Bearing number : NUP2330-E-M1
Size (mm) : 150x320x108
Brand : FAG
Bore Diameter (mm) : 150
Outer Diameter (mm) : 320
Width (mm) : 108
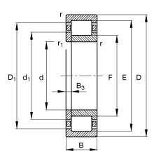
d - 150 mm
D - 320 mm
B - 108 mm
B3 - 16,5 mm
D1 - 269,8 mm
Da max - 303 mm
d1 - 209,5 mm
da min - 167 mm
dc min - 213 mm
E - 283 mm
F - 193 mm
r1 min - 4 mm
ra max - 3 mm
rmin - 4 mm
m - 44,8 kg / Weight
Cr - 1380000 N / Dynamic load rating (radial)
C0r - 1600000 N / Static load rating (radial)
nG - 3200 1/min / Limiting speed
nB - 1480 1/min / Reference speed
Cur - 245000 N
Main dimensions to DIN 5412-1, locating bearing, separable, with cage