HOME >> Services >> Partners >> FAG Bearing
FAG Bearing
IKO Bearing
INA Bearing
KOYO Bearing
NACHI Bearing
NSK Bearing
NTN Bearing
SKF Bearing
TIMKEN Bearing

Bearing number : NUP303-E-TVP2
Size (mm) : 17x47x14
Brand : FAG
Bore Diameter (mm) : 17
Outer Diameter (mm) : 47
Width (mm) : 14
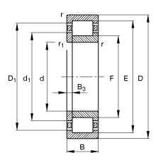
d - 17 mm
D - 47 mm
B - 14 mm
B3 - 2,5 mm
D1 - 37,1 mm
Da max - 42,8 mm
d1 - 27,6 mm
da min - 21,2 mm
dc min - 28 mm
E - 40,2 mm
F - 24,2 mm
r1 min - 0,6 mm
ra max - 1 mm
rmin - 1 mm
m - 0,142 kg / Weight
Cr - 30000 N / Dynamic load rating (radial)
C0r - 21200 N / Static load rating (radial)
nG - 19600 1/min / Limiting speed
nB - 13700 1/min / Reference speed
Cur - 3350 N
Main dimensions to DIN 5412-1, locating bearing, separable, with cage