HOME >> Services >> Partners >> FAG Bearing
FAG Bearing
IKO Bearing
INA Bearing
KOYO Bearing
NACHI Bearing
NSK Bearing
NTN Bearing
SKF Bearing
TIMKEN Bearing

Bearing number : QJ205-MPA
Size (mm) : 25x52x15
Brand : FAG
Bore Diameter (mm) : 25
Outer Diameter (mm) : 52
Width (mm) : 15
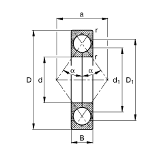
d - 25 mm
D - 52 mm
B - 15 mm
a - 27 mm
D1 - 43,1 mm
Da max - 46 mm
d1 - 34,2 mm
da min - 31 mm
ra max - 1 mm
rmin - 1 mm
α - 35 ° / Angle
m - 0,171 kg / Weight
Cr - 26000 N / Dynamic load rating (radial)
C0r - 18800 N / Static load rating (radial)
nG - 25500 1/min / Limiting speed
Cur - 1260 N / Fatigue limit load, radial
Main dimensions to DIN 628-4, separable, split inner rings