HOME >> Services >> Partners >> FAG Bearing
FAG Bearing
IKO Bearing
INA Bearing
KOYO Bearing
NACHI Bearing
NSK Bearing
NTN Bearing
SKF Bearing
TIMKEN Bearing

Bearing number : QJ216-MPA
Size (mm) : 80x140x26
Brand : FAG
Bore Diameter (mm) : 80
Outer Diameter (mm) : 140
Width (mm) : 26
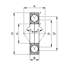
d - 80 mm
D - 140 mm
B - 26 mm
a - 77 mm
D1 - 119,6 mm
Da max - 129 mm
d1 - 100,9 mm
da min - 91 mm
ra max - 2 mm
rmin - 2 mm
α - 35 ° / Angle
m - 1,84 kg / Weight
Cr - 136000 N / Dynamic load rating (radial)
C0r - 137000 N / Static load rating (radial)
nG - 8600 1/min / Limiting speed
Cur - 9400 N / Fatigue limit load, radial
Main dimensions to DIN 628-4, separable, split inner rings