HOME >> Services >> Partners >> FAG Bearing
FAG Bearing
IKO Bearing
INA Bearing
KOYO Bearing
NACHI Bearing
NSK Bearing
NTN Bearing
SKF Bearing
TIMKEN Bearing

Bearing number : QJ218-N2-MPA
Size (mm) : 90x160x30
Brand : FAG
Bore Diameter (mm) : 90
Outer Diameter (mm) : 160
Width (mm) : 30
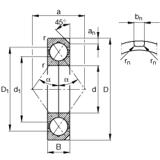
d - 90 mm
D - 160 mm
B - 30 mm
- 45 ° / Groove angle
a - 88 mm
an - 8,1 mm
bn - 6,5 mm
D1 - 136,1 mm
Da max - 149 mm
d1 - 114,2 mm
da min - 101 mm
ra max - 2 mm
rmin - 2 mm
rn - 1 mm
α - 35 ° / Angle
m - 2,8 kg / Weight
Cr - 181000 N / Dynamic load rating (radial)
C0r - 185000 N / Static load rating (radial)
nG - 7400 1/min / Limiting speed
Cur - 11700 N
Main dimensions to DIN 628-4, separable, with two retaining slots