HOME >> Services >> Partners >> FAG Bearing
FAG Bearing
IKO Bearing
INA Bearing
KOYO Bearing
NACHI Bearing
NSK Bearing
NTN Bearing
SKF Bearing
TIMKEN Bearing

Bearing number : QJ219-N2-MPA
Size (mm) : 95x170x32
Brand : FAG
Bore Diameter (mm) : 95
Outer Diameter (mm) : 170
Width (mm) : 32
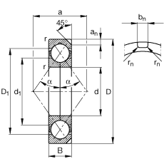
d - 95 mm
D - 170 mm
B - 32 mm
- 45 ° / Groove angle
a - 93 mm
an - 8,1 mm
bn - 6,5 mm
D1 - 144,4 mm
Da max - 158 mm
d1 - 121 mm
da min - 107 mm
ra max - 2,1 mm
rmin - 2,1 mm
rn - 1 mm
α - 35 ° / Angle
m - 3,41 kg / Weight
Cr - 190000 N / Dynamic load rating (radial)
C0r - 212000 N / Static load rating (radial)
nG - 7000 1/min / Limiting speed
Cur - 10100 N
Main dimensions to DIN 628-4, separable, with two retaining slots