HOME >> Services >> Partners >> FAG Bearing
FAG Bearing
IKO Bearing
INA Bearing
KOYO Bearing
NACHI Bearing
NSK Bearing
NTN Bearing
SKF Bearing
TIMKEN Bearing

Bearing number : QJ248-N2-MPA
Size (mm) : 240x440x72
Brand : FAG
Bore Diameter (mm) : 240
Outer Diameter (mm) : 440
Width (mm) : 72
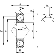
d - 240 mm
D - 440 mm
B - 72 mm
- 45 ° / Groove angle
a - 238 mm
an - 15 mm
bn - 12,5 mm
D1 - 367 mm
Da max - 423 mm
d1 - 312,5 mm
da min - 257 mm
ra max - 3 mm
rmin - 4 mm
rn - 2,5 mm
α - 35 ° / Angle
m - 53,1 kg / Weight
Cr - 640000 N / Dynamic load rating (radial)
C0r - 1110000 N / Static load rating (radial)
nG - 2550 1/min / Limiting speed
Cur - 30500 N
Main dimensions to DIN 628-4, separable, with two retaining slots