HOME >> Services >> Partners >> FAG Bearing
FAG Bearing
IKO Bearing
INA Bearing
KOYO Bearing
NACHI Bearing
NSK Bearing
NTN Bearing
SKF Bearing
TIMKEN Bearing

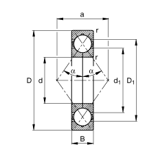
Bearing number : QJ304-MPA
Size (mm) : 20x52x15
Brand : FAG
Bore Diameter (mm) : 20
Outer Diameter (mm) : 52
Width (mm) : 15
d - 20 mm
D - 52 mm
B - 15 mm
a - 26 mm
D1 - 41,4 mm
Da max - 45 mm
d1 - 30,6 mm
da min - 27 mm
ra max - 1 mm
rmin - 1,1 mm
α - 35 ° / Angle
m - 0,184 kg / Weight
Cr - 31000 N / Dynamic load rating (radial)
C0r - 19600 N / Static load rating (radial)
nG - 26000 1/min / Limiting speed
Cur - 1320 N / Fatigue limit load, radial
Main dimensions to DIN 628-4, separable, split inner rings