HOME >> Services >> Partners >> FAG Bearing
FAG Bearing
IKO Bearing
INA Bearing
KOYO Bearing
NACHI Bearing
NSK Bearing
NTN Bearing
SKF Bearing
TIMKEN Bearing

Bearing number : QJ310-MPA
Size (mm) : 50x110x27
Brand : FAG
Bore Diameter (mm) : 50
Outer Diameter (mm) : 110
Width (mm) : 27
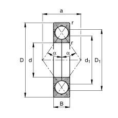
d - 50 mm
D - 110 mm
B - 27 mm
a - 56 mm
D1 - 89,6 mm
Da max - 99 mm
d1 - 70,8 mm
da min - 61 mm
ra max - 2 mm
rmin - 2 mm
α - 35 ° / Angle
m - 1,39 kg / Weight
Cr - 115000 N / Dynamic load rating (radial)
C0r - 92000 N / Static load rating (radial)
nG - 11300 1/min / Limiting speed
Cur - 6600 N / Fatigue limit load, radial
Main dimensions to DIN 628-4, separable, split inner rings