HOME >> Services >> Partners >> FAG Bearing
FAG Bearing
IKO Bearing
INA Bearing
KOYO Bearing
NACHI Bearing
NSK Bearing
NTN Bearing
SKF Bearing
TIMKEN Bearing

Bearing number : QJ319-N2-MPA
Size (mm) : 95x200x45
Brand : FAG
Bore Diameter (mm) : 95
Outer Diameter (mm) : 200
Width (mm) : 45
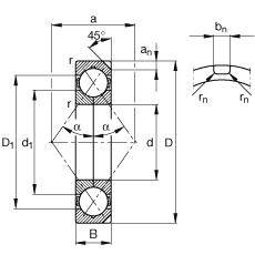
d - 95 mm
D - 200 mm
B - 45 mm
- 45 ° / Groove angle
a - 103 mm
an - 11,7 mm
bn - 10,5 mm
D1 - 165,4 mm
Da max - 186 mm
d1 - 131,2 mm
da min - 109 mm
ra max - 2,5 mm
rmin - 3 mm
rn - 2 mm
α - 35 ° / Angle
m - 7,45 kg / Weight
Cr - 285000 N / Dynamic load rating (radial)
C0r - 315000 N / Static load rating (radial)
nG - 5900 1/min / Limiting speed
Cur - 14100 N
Main dimensions to DIN 628-4, separable, with two retaining slots