HOME >> Services >> Partners >> FAG Bearing
FAG Bearing
IKO Bearing
INA Bearing
KOYO Bearing
NACHI Bearing
NSK Bearing
NTN Bearing
SKF Bearing
TIMKEN Bearing

Bearing number : S6000
Size (mm) : 10x26x8
Brand : FAG
Bore Diameter (mm) : 10
Outer Diameter (mm) : 26
Width (mm) : 8
d - 10 mm
D - 26 mm
B - 8 mm
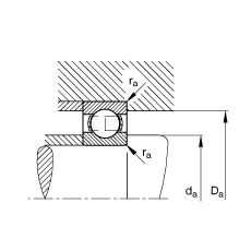
D1 - 21,4 mm
Da max - 24 mm
d1 - 14,7 mm
da min - 12 mm
ra max - 0,3 mm
rmin - 0,3 mm
m - 0,019 kg / Weight
Cr - 3850 N / Dynamic load rating (radial)
C0r - 1570 N / Static load rating (radial)
nG - 40500 1/min / Limiting speed
nB - 27500 1/min / Reference speed
Cur - 93 N / Fatigue limit load, radial
Main dimensions to DIN 625-1, corrosion resistant