HOME >> Services >> Partners >> FAG Bearing
FAG Bearing
IKO Bearing
INA Bearing
KOYO Bearing
NACHI Bearing
NSK Bearing
NTN Bearing
SKF Bearing
TIMKEN Bearing

Bearing number : S6002
Size (mm) : 15x32x9
Brand : FAG
Bore Diameter (mm) : 15
Outer Diameter (mm) : 32
Width (mm) : 9
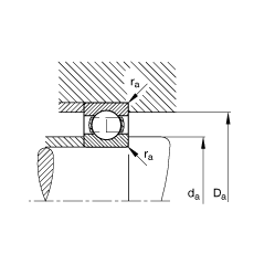
d - 15 mm
D - 32 mm
B - 9 mm
D1 - 26,9 mm
Da max - 30 mm
d1 - 20,5 mm
da min - 17 mm
ra max - 0,3 mm
rmin - 0,3 mm
m - 0,029 kg / Weight
Cr - 4750 N / Dynamic load rating (radial)
C0r - 2270 N / Static load rating (radial)
nG - 33500 1/min / Limiting speed
nB - 21500 1/min / Reference speed
Cur - 134 N / Fatigue limit load, radial
Main dimensions to DIN 625-1, corrosion resistant