HOME >> Services >> Partners >> FAG Bearing
FAG Bearing
IKO Bearing
INA Bearing
KOYO Bearing
NACHI Bearing
NSK Bearing
NTN Bearing
SKF Bearing
TIMKEN Bearing

Bearing number : S6005-2RSR
Size (mm) : 25x47x12
Brand : FAG
Bore Diameter (mm) : 25
Outer Diameter (mm) : 47
Width (mm) : 12
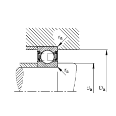
d - 25 mm
D - 47 mm
B - 12 mm
D2 - 42,5 mm
Da max - 43,8 mm
d1 - 32 mm
da min - 28,2 mm
ra max - 0,6 mm
rmin - 0,6 mm
m - 0,084 kg / Weight
Cr - 8550 N / Dynamic load rating (radial)
C0r - 4690 N / Static load rating (radial)
nG - 10000 1/min / Limiting speed
nB - - 1/min / Reference speed
Cur - 305 N / Fatigue limit load, radial
Main dimensions to DIN 625-1, corrosion resistant, lip seal on both side